Überbrückung Reperatur Marantz Receiver möglich? Erfahrungen dazu

Backmagic

Teil der Gemeinde
Registriert
09. Juni 2025
Beiträge
258
Real Name
Baxter
Hallo,
leider hat mich mein Marantz verlassen, er bleibt stumm. Ich dachte Anfangs noch es liegt am HTPC und habe ewig an dem herumgedoktort weil nach ein paar mal hin und her einstellen am Audio Menue am HTPC
ging es immer mal wieder.

Aber jetzt ist alles komplett tot. Fehlermeldungen werden am Marantz auch nicht angezeigt, ein Reset brachte auch keinen Erfolg, es ist ein Marantz SR5004.

Ich habe etwas google gequält (das ist inzwischen der Horror, vor allem die KI Antworten...

Es gibt Berichte das wohl der "Chip" für die Eingangswahl bei dem Modell öfters mal ausfällt, man diesen dann tauschen lassen kann. Was damals, diese Berichte sind schon älter
finanziell evtl noch sinnvoll war, jetzt sicher nicht mehr.

Kennt sich jemand mit so Kisten aus? Kann ich evtl. die Audio Eingänge vom Cinch direkt an die 7 Endstufen anschliessen? Ich habe im HTPC einen sehr gute 7.1 Karte deren Ausgänge ich auch direkt an den Verstärkerbaugruppen anklemmen könnte.

Hat hier jemand Tips?

Marantz.jpg
 
Hallo Baxter,

Kann funktionieren, wenn die Schutzschaltung kein Strich durch die Rechnung macht.

1761307446972.png


Gruss Fabio
 
Wo regelst Du denn die Lautstärke ?
Au dem Foto sehe ich zwei große Klopper mit großen Drehknöpfen.

Nicht, dass Du von dem HTPC mit Vollpegel auf die Endstufe gehst.
 
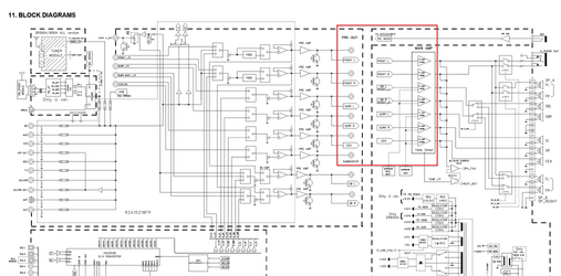
Hallo Angryhellfire, Danke für den Schaltplan, ich mache mich mal daran den zu zerlegen.

 
Also sobald auch nur ein Kabel nicht angeklemmt ist haut der sofort den Schutzmodus rein.
Auch wenn die Schrauben mit denen die Platine ans Blech kommen nicht drin sind, geht nichts mehr.

Aber es funzt,. Die Eingänge sind direkt auf die Verstärker geschaltet. Wenn ich da mit einem Signal drauf gehe klappt es.
Ich habe die nun mal mit dem Signal Kontakten direkt an den Cinch Eingang Port gelötet.
Das wird nun komplett durch geschleift.

Der Verstärker ist wieder zusammengebaut und läuft wieder fast perfekt. Am PC an der Soundkarte.
Lautstärke und Regler am Verstärker sind nun quasi überbrückt. Was sogar ganz gut ist weil wenn ich den anmache ist er immer an.

Die komplette Lautstärke Regelung über den HTPC klappt perfekt, auch mit dem IMON.

Bei einer Sache war ich aber evtl. zu voreilig. Wenn ich einen Film durchlaufen lasse ist alles perfekt. Am Anfang wenn der PC eine Wiedergabe startet kann es sein dass es zu einem kleinen knacken kommt.

Hätte ich hier evtl. nicht auf die Cinch Kontakte gehen sollen sondern auch die Kontakte hinter diesen kleinen Kondensatoren?




7kanal.jpgsignal.jpgpins.jpg
 

Anhänge

  • 7kanal.jpg
    7kanal.jpg
    182,2 KB · Aufrufe: 6
Zuletzt bearbeitet:
Kann auch die Soundkarte sein, die aus dem SleepMode kommt (Windows Energiespareinstellungen grüssen).
Ich würde vorher mit einem anderen Verstärker/Aktiv LS schauen, ob das gleiche passiert.
Wenn ja, Energiesparplan anpassen und z.B. PCIe Sparmodus mal testweise deaktivieren etc.

Gruss Fabio
 
Zurück
Oben Unten