Hallo Gemeinde,
kennt sich jemand mit Reparaturen von Endstufe aus und kann mir sagen für was die Potis an den OPV's der AMA Q200 sind? Das Poti liegt zwischen Plus und Minus Betriebsspannung des jeweiligen OPV's.
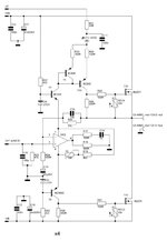
Ich hab ein Schaltbild zum besseren verständnis... Da die Endstufe ja schon paar jahrzente auf dem Buckel hat, hab ich alle Elkos's getauscht, alle Potis, Microschalter und die Transistoren mit neuen Glimmerscheiben und Wärmeleitpaste versehen! Die Endstufe funktioniert auch soweit und Klingt echt gut! Wollte nur wissen für was die Potis sind und was man da einstellt zbw. wie?

Danke...
Mit freundlichen Grüßen
Chipi_bed
kennt sich jemand mit Reparaturen von Endstufe aus und kann mir sagen für was die Potis an den OPV's der AMA Q200 sind? Das Poti liegt zwischen Plus und Minus Betriebsspannung des jeweiligen OPV's.
Ich hab ein Schaltbild zum besseren verständnis... Da die Endstufe ja schon paar jahrzente auf dem Buckel hat, hab ich alle Elkos's getauscht, alle Potis, Microschalter und die Transistoren mit neuen Glimmerscheiben und Wärmeleitpaste versehen! Die Endstufe funktioniert auch soweit und Klingt echt gut! Wollte nur wissen für was die Potis sind und was man da einstellt zbw. wie?

Danke...
Mit freundlichen Grüßen
Chipi_bed
